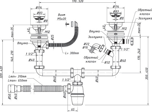
Сифон с большим корпусом и отстойником для двойной одноуровневой или двухуровневой мойки с прямоугольным переливом, с нержавеющей чашкой 114мм и отводом для слива от стиральной машины. В комплекте идёт отвод в канализацию гибкая труба 40-40/50 и две прокладки на перелив – прямоугольная на квадратную форму мойки и полукруглая на круглую.Характеристикиматериал сифона: полипропиленматериал решеток: нерж. стальдиаметр решеток, мм: 114 x (2 шт.)входное отверстие: 2 x 3-1/2"выходное отверстие, мм: 40регулировка по высоте вып.1, мм: 140–210регулировка по высоте вып.1, мм: 170–240регулировка по высоте сифона, мм: 350–450регулировка по ширине, мм: 170–520один отвод, мм: 19/22длина перелива, мм: 300прокладка плоская, мм: 63x40x7,5прокладка полукруглая, мм: 63x40x11гибкая труба, мм: 40–40/50длина гибкой трубы, мм: 310–650Комплектация:Стакан 40: 1Прокладка корпуса 40: 1Корпус 40: 1Прокладка коническая д.40мм: 6Гайка д.40мм: 8Тройник: 1Колено 90: 2Патрубок 40: 1Прокладка торцевая д.40мм: 2Горловина 90 с переливом: 2Прокладка 90 нижняя: 2Прокладка 90 верхняя: 2Комплект решетки D=114: 2Гайка д.25мм: 3Прокладка коническая д.25мм: 1Патрубок 40 с входом: 1Штуцер: 1Гофрошланг д.25мм (30 см) белый: 1Перелив мойки: 1Прокладка под перелив мойки прямая: 1Прокладка под перелив мойки круглая: 1Патрубок 40 с входом: 1Винт 5х20: 1Гибкая труба 40-40/50: 1Заглушка д.25мм: 1Прокладка д.25мм с гидрозатвором: 1
Отзывы
Оставить отзыв
Загрузка отзывов...
